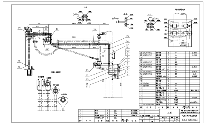
AL1403旋臂式全自动鹤管
型号:AL1403旋臂式全自动鹤管
适用场合:顶部装车
适用介质:成品油、化工品等
控制系统说明
包含气缸、气动马达、气动三联件、气动控制(箱)盒,气控管线等。
(1)气缸控制系统能在鹤管工作的时候提供动力,操控鹤管外臂上仰或者下俯以及压紧密封帽,动作灵活性比较好,减轻工作人员劳动强度。要求现场气源压力保证(大于0.4Mpa)
(2)气动马达控制的全自动鹤管,内臂、外臂的水平转动由气动马达通过涡轮蜗杆的转动实现。鹤管的垂管的升降由气动马达及钢丝绳共同实现。要求现场气源压力保证(大于0.4Mpa)
提升马达安装在三通上部,是实现伸缩垂管伸缩的关键部件。
此次鹤管采用的气动马达为叶片式气动马达,采用蜗轮蜗杆输出,具有机械自锁功能,可使伸缩垂管停留在其行程的任意位置。
气动马达设有手轮,可在无气源或故障时手动操作垂管伸缩。提升马达简图

(1)、手动手轮;(2)、提升绞盘;(3)、连接法兰;(4)、气动马达
叶片马达的工作原理:压缩空气通过进气口进入马达内腔,压力对叶片产生作用,通过叶片带动转子旋转,从而通过输出轴带动设备运转。